作者:Ionut Ghionea,布加勒斯特Politehnica工程大学讲师
有限单元法(FEM)是工程中最常用的方法之一。这种方法和基于它的程序是CAD应用的基本工具。FEM/FEA在所有要求高性能的工程分析中都是不可或缺的。本报告的主要目的是提出一个实际应用,利用有限元法来改进一个典型机械部件的设计。
FEM/FEA的基本概念
有限元法的主要优点之一是它的基本概念简单。为了进行有限元分析,用户必须建立被分析结构的微积分模型。在已知误差的情况下,没有算法和通用方法可以建立一个近似真实结构的独特模型。因此,对于同一结构,一般采用几种不同的型号,它们都是正确的,但性能不同。模型的开发是基于用户的直觉、经验和想象。每个模型都应该包含所分析结构的所有可用信息。
每个模型都由在3D CAD环境中创建的线、平面或曲面和体组成。在这个发展阶段,模型是连续的,有无限个点,就像真实的结构一样。有限元法的主要目标是获得有限元网格,将连续结构转化为具有有限个数点的离散模型。
该操作使用模型的网格来完成,在结构内部创建足够的点来表征其力学行为。FEM定义了仅在模型节点中寻找的未知值,并计算这些节点中的未知值。必须进行网格划分,以便有足够大的节点数量,以实现边界和加载条件的令人满意的近似。因此,结构的网格在有限元分析中具有重要的意义。
网格中定义的点称为节点。有限元的主未知数定义为节点,其值即为分析结果。在节点中识别的这些未知数可以是位移(位移模型)或应力(应力模型)。对于位移模型,在一定荷载情况下,结构的变形形状由所有节点相对于初始节点网的位移来定义。每个节点最多可以有六个位移分量,在坐标系中称为节点位移:三个线性位移和三个旋转。有些节点受到约束,因此它们的位移为零或由施加的值已知,因此不应该再计算它们。
网格划分过程将模型划分为一定数量的四边形或三角形片段,称为有限元。这些元素在公共节点(也称为顶点)中组装在一起。在有限元法中,将有限单元作为一个单独的单元来研究,只在节点中与其他元素相互作用。因此,在理想化的实际结构中,对实际结构的研究被通过网格划分得到的有限元集合的研究所取代。有限元素必须设计得很详细:几何的、机械的或数学的。这可能是一项艰巨的任务,但大多数现代CAD-CAE系统都能自动解决这个问题,只需用户进行一点干预。结构的网格可以包括为不同类型的分析而定义的元素:线弹性、非线性、传热、流体力学或电磁。
FEA/FEM的优点和局限性
优势包括:
•一般用途-这是一种数值方法,用于解决可变形体力学、流体力学、热传导或生物力学中的问题。加载情况可以是静态的、动态的、非线性的、随时间变化的。
•轻便性-为了解决问题,用户可以自由地详细说明微积分模型以满足他的要求。在此细化之后,对其进行修改通常是非常简单的,目标是获得初始模型的增强变体。
•简单的基本概念-该方法不要求用户拥有良好的数学知识,只需要一个工程背景。上面介绍的基本概念很容易理解,以便正确使用。
•FEM计算机程序的存在- FEA需要大量的数值计算,几乎不可能手动执行。因此,许多CAD-CAE系统包括有限元计算程序。此外,也有优秀的FEM专业程序可用。
•预处理和后处理设施-计算机程序减少时间和精力,从而实现自动网格划分和模型验证。从FEM获得的结果可以以图像、表格、清单、图纸、图表或动画的形式呈现。
缺点包括:
•该方法是近似的-分析不是在实际结构上进行的,而是在模型上进行的。所有的结果(如应力、应变或位移)都是近似值,用户无法准确估计所得结果与实际结果之间的差异。
•微积分模型是主观和任意的——用户可以不受限制地自由地阐述模型,但不能确定模型的正确性,或者使用它的分析的效率。有时,对实际结构进行实验验证是一种很好的做法。
•FEA程序是复杂的和昂贵的-可用的FEM程序非常复杂,有许多选项和功能。
有限元法的实际应用
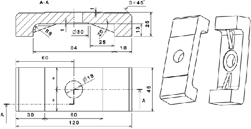
这个应用程序显示了一个支撑夹具的有限元分析,图1。
图1 -支撑夹具(所有尺寸单位为mm)
分析使用CATIA程序。在CATIA Part Design模块中进行实体建模后,用户定义了一种材料(钢),具有以下物理特性:杨氏模量(2_1011 N/m2), Poisson ratio(0.266),密度(7860 kg/m3)和屈服强度(2.5_108 N/m2)。接下来,在CATIA生成结构分析中,用户在称为离散化的过程中建立静态案例分析并定义节点和有限元网。在此过程中,强烈建议编辑默认的网络参数,定义新的有限元尺寸(5毫米)和类型(线性),模型和真实部分之间的绝对凹陷(1,25毫米)等。为此,用户必须双击在规格树中找到的子元素“OCTREE Tetrahedron Mesh”,如图2所示:
图2 -零件的离散化过程。
接下来,该部分受到约束,如图3所示。
图3 -钳位约束的应用。
规范树由子元素“Clamp.1”完成。对话框窗口在“支持”字段中包含两个面,标记在部件模型上。在零件的上表面和功能表面上,垂直于表面,在Z轴的相反方向上施加3000-N的分布力。规范树显示了子元素“分布式力1”。这个力用表面上的四个箭头、它的值和方向以及它被创建的坐标系统来表示;所有这些参数都可以在对话框窗口的相应字段中指定,如图4所示。
图4 -分布力的应用。
现在,在约束和加载案例之后,下一个阶段是分析计算,通过按下“Compute”图标启动。结果,将打开具有相同名称的对话框窗口,如图5所示,其中用户选择“All”选项,然后更新子元素“Static Case Solution”。
图5 -启动计算。
如果用户取消勾选“预览”选项,则不显示“计算资源估计”信息窗口,从而缩短了分析时间,如图6所示。
图6 -计算资源估算。
但是,这个窗口在非常复杂的分析过程中具有重要的作用,因为它提供了有关计算时间和磁盘上所需空间的信息。
一旦演算完成,用户可以使用“Image”工具栏中的一些工具来可视化结果。规范树由插入图像的不同子元素完成。默认情况下,最后添加的是活动的,通过取消激活前面的其他,如图7所示。
图7 -图像工具栏和来自规范树的列表。
这显示了包含三个图像(以及结果)及其图标的规格树,作为子元素“静态案例解决方案”的一部分。接下来,评估图8-11所示的四个图像结果。
图8 -冯·米塞斯应力结果。注意,为了简化从这张图和图9图像中得出的结论,变形被图形化地夸大了。
图9 -变形网格结果。
图10 -应力主张量结果。
图11 -估计误差结果。
这些与机械部分的计算相对应。注意,为了简化从这些图像中得出的结论,变形被图形化地夸大了。为了找到分析后的最大和最小张力(应力),激活“冯·米塞斯应力”结果,从“分析工具”工具栏中应用“信息”工具,程序打开一个具有相同名称的信息窗口,如图12所示。
图12 -应力的最大值和最小值。右边是压力调色板。
在这个图中,应力值面板显示了“冯·米塞斯应力”结果。最小的应力值在调色板的下部,最高的应力值在上部。另外,这两个极端值显示在信息窗口中。
分析结束后,用户应将所选材料的屈服强度值与“冯·米塞斯应力”结果中的最大值进行比较。应力值几乎小了十倍(2.36_107 N/m2 vs 2.5_108 N/m2),因此可以得出结论:机械部分抵抗或承受计划载荷。
讨论本文:www.FEA-Forums.com
了下:3 d CAD,有限元分析软件,软件

告诉我们你的想法!