美国军方对其所需的硬件有着苛刻的要求。例如,伊利诺伊州罗斯科的Excel Gear公司(excelgear.com)为美国海军新型DDG1000系列舰船上的导弹发射器制造了一套齿轮箱。齿轮箱是伺服系统的驱动元件,用于旋转和提升导弹发射器。为了获得良好的伺服性能,箱体必须满足海军对刚度、效率和低齿隙的要求。
使用耗时的手工方法对原型进行了测试。虽然令人满意,但该方法需要仔细检查,以防止数据输入错误。对测试系统的要求要求精度高,消除测量误差,消除数据输入误差。该公司自动化测试过程的经验提供了有用的设计经验。
在成功完成原型后,Excel Gear总裁N.K. Chinnusamy决定,生产运行需要改进装配程序,并自动化测试方法。轴承上的预紧力被认为是一个重要的因素——过小的预紧力允许过度的侧隙,而过多的预紧力会降低效率并产生热量。要进行足够精确的测量以确定最佳预紧垫片的尺寸是很困难的,因为在垫片就位之前,轴承可能会左右倾斜。
该公司制造了一套夹具,以防止轴承倾斜和提高预紧力的重复性。夹具也提高了第一个生产盒的效率,并减少了它们在原型盒中获得的反弹。
该夹具的开发是为了尽量减少轴承倾斜。夹具提高了效率并降低了齿隙。
类型的测试
这些装置需要进行几次试验。例如:
磨合时的温度测试:变速箱的主要热源是密封摩擦、轴承摩擦和油的搅动。油搅动产生的热量分布在整个盒内,并在整个盒内消散。密封和轴承摩擦集中,如果过度,将导致失效。在高速轴上的轴承附近检查温度,在原型箱上的测量显示温度最高。这些区域也靠近海豹。虽然不可能分离由轴承和密封产生的热量,但密封似乎产生了最多的热量。
用最大速度运行的盒子记录温度2小时。冷却后,用沿相反方向运行的盒子重复测试。在测试中,温度首先快速上升,然后以降低的速度上升。虽然温度没有达到平衡,但在操作中,盒子不会连续运行两个小时,而且它们只会间歇地达到顶级速度。
齿轮火车僵硬:输出轴锁定时测量的该特性是输入轴运动与施加扭矩的比率,单位为Nm/rad。使用液压执行器施加扭矩,两个相对的气缸驱动两个齿条抵住一个小齿轮。齿条通过衬套固定在小齿轮中。这会产生与运动方向相反的摩擦力。由于液压执行器中的摩擦会导致测量不准确,因此使用Dataflex 42/1000扭矩传感器在执行器和输入轴之间测量扭矩。该传感器在两个方向上的容量均为1000 Nm。扭矩通过使用差动电路中的旋转编码器测量传感器轴中的扭转来确定。编码器转子安装在轴的每一端。由于编码器读取头安装在传感器的固定部分,因此没有滑环。来自传感器的A-quad-B输出通过编码器电子箱转换为电压。电压输出范围为0至10V,空载值为5V,校准常数为0.200 Nm/mV。使用2000线旋转编码器(分辨率为0.018°)测量旋转运动。由于输入轴穿过箱体,编码器安装在液压执行器轴的另一端。当箱体运行时,制动器安装在轴的这一端。
编码器的a - 4 - b输出通过可编程编码器控制盒转换为电压。每度电压的范围和数量可以根据要测量的旋转量来设定。输出范围为0 ~ 10v。本次测试,输出为8.100°/ V,无旋转电压为5V。
齿轮传动系齿隙:为了给齿轮提供运行间隙,有些间隙是必要的。间隙过小会导致过热和过早失效,而间隙过大则会降低伺服性能。齿隙是由收集到的齿轮传动刚度数据确定的。
突破扭矩:对于这些盒子,它是低电平的,使用卡扣扭矩扳手手动测量。虽然通常优先考虑自动化测试,但是很简单,即所需的编程是不合理的。例如,此测试是唯一一个不自动化的。
变速箱在整个速度范围内的功率损失:输入扭矩是在齿轮箱以顺时针和逆时针两种速度运行时测量的。扭矩是速度的近似线性函数,其中有很小的摩擦力分量。这在伺服系统中是首选的,因为它有助于伺服回路阻尼。由于转矩几乎是速度的线性函数,功率损失曲线近似抛物线。
测试设备
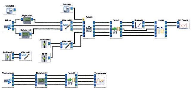
附带的图像显示测试设备和测试硬件表列出了一些细节。所使用的软件DASYlab是一种图形化编程语言。它的编程方法是将表示数据收集操作的框图放在屏幕上,并用“电线”连接它们来控制数据流。在这里使用的系统中,处理后的数据以制表符分隔的格式写入磁盘,适合使用Microsoft Excel进行进一步分析。



有关测试设备的详细信息请见附表
对数据收集进行编程:DASYlab框图提供了一个编程屏幕示例。每个块表示对数据的操作,例如收集、缩放、保存到磁盘和显示。这种编程方法比编写代码快。例如,扭矩传感器、编码器和热电偶的电压输出连接到电子接口盒。该接线盒有一个内置的热电偶参考接头。该设备还具有数字和模拟输出,但未使用这些输出。接口盒扫描其输入,并将模拟值转换为数字值。这些数据通过USB连接以1Hz左右的频率传输到计算机。这对于数据采集来说相对较慢,但对于这些准静态测试来说已经足够了。
这个屏幕显示了DASYlab软件是如何通过连接传感器和仪器的虚拟电线来编程的。
红色曲线(不是来自变速箱测试的数据)表示典型输出的数据,而蓝色线表示最佳曲线拟合。零轴上的垂直部分表示齿隙。蓝色曲线的斜率表示齿轮箱刚度。
在DASYlab程序中,第一个框是一个输入框,它与硬件“对话”,并将输入值以数字形式放置在其输出上。通常,这是一个只与特定硬件一起工作的特殊模块。大多数其他框不依赖于系统中的硬件类型。其他用于在磁盘上记录数据的框包括数字显示、图形显示和输出框。这些框在显示屏上有相应的组件。这个屏幕可以是一个虚拟仪器,也就是说,它可以看起来像伏特计、示波器和图表记录器等仪器。对于该测试,程序将输入转换为工程单位,并以多种方式显示值。数字显示器显示输入的当前数值。
另一个显示是xy图,显示y轴上的旋转和x轴上的扭矩。这个反馈提供了结果的预览。它可以节省很多时间,因为如果有什么问题,如断线或热电偶失效,它很快就会变得明显。可以停止测试,纠正问题,并恢复测试。在分析数据之前无法发现的问题浪费了整个测试周期。
DASYlab的一个缺点是,这个程序必须与连接到接口硬件的计算机一起编写。坐在台式机前编写程序比使用笔记本电脑在测试区域工作有很大的优势。
分析细节
反弹和合规性:自动化数据收集的一个优点是,与在合理的时间内手工收集的信息相比,可以获得更多的准确信息。额外的数据比其他数据更能说明设备的特性。在间隙和柔度中,红线模拟了扭矩从零到最大,到最小,再回到零三次时的收集点。(显示的数据不是实际值,但它们是收集的数据类型的准确表示。)数据显示了良好的一致性和重复性,使结果有信心。例如,蓝线显示的曲线拟合的反弹和合规数据。在零负载时,垂直线的长度称为侧隙。符合观测值的线的斜率就是刚度。这是一种确定这些值的保守方法。常规的手动四点测试会给出更低的反隙和合规数字。 The four-point test uses two torques that are just a little higher than breakaway torque in each direction and two torques that are a quarter to one half of the full load torque.
编码器(带有电缆的深色光盘)与自动系统一起工作,而倾角仪(安装在水平杆上的仪表)用于手动读数。编码器有更好的分辨率,但两个设备之间的差异会很快显示缩放或编程错误。
从手动到自动测试的转换:自动化系统的第一次使用涉及调试,因为测试系统和被测试设备可能存在问题。启动这个系统的一个好处是,以前手工收集的结果可以作为参考。测试系统的问题很快就会被发现。在第一次测试中,一些手动测量装置与新测试设备并行使用。这要么验证了结果,要么显示了问题。例如,一个不正确的比例因子被迅速检测并修正。这说明了成功测试的一个原则:在运行测试之前,检查测试设备的校准。
关于作者:William Winterbauer是QED Services的首席工程师和Excel Gear Inc.的顾问。
Excel齿轮有限公司
www.excelgear.com
了下:编码器(旋转)+分解器,齿轮•齿轮头•减速机,运动控制•电机控制,滑环+旋转接头





告诉我们你的想法!